close

研究・医療・食品現場の身近なサポーター

フラットピンセット 幅広 特殊鋼 No.4WL

商品コード:
7-160-01
メーカー希望小売価格
8,860円 (税込10% 9,746円)
販売価格
7,710 円 (税込10% 8,481 円)
送料別
11本 (11本あたり7,710円(税込10% 8,481円))

0~1営業日以内に発送予定。

製品番号:
No.4WL
関連カテゴリ:
研究用品・設備 > 7.半導体関連機器 > 60.特殊精密工具
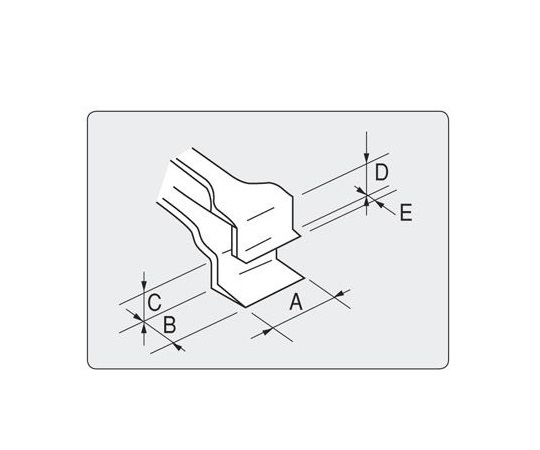
●耐酸性で長寿命です。●エレクトリック関係パーツに適するようすべて非磁性です。●使いやすくするために滑り止めや、ハンドル部にギザグリップを付けてあります。●クラス100で表面洗浄、クリーンパック。●用途:普通のピンセットでは取り扱いにくいもの、半導体ウェハーや、雲母のような薄く壊れやすい物の移動やピックアップに。●型番:No.4WL●全長(mm):125●A(mm):12●B(mm):7.5●C(mm):3●D(mm):4●E(mm):2.5●表面洗浄済●材質:クロームスチール(硬度390VC及び40RC)●クラス100において、表面洗浄処理済シールパッケージ

最近チェックした商品CHECK ITEM

ステンレスタンク 100L

ステンレスタンク 100L

83,520
(税込91,872)
超音波洗浄器(二周波) 27L MCD-27

超音波洗浄器(二周波) 27L MCD-27

218,120
(税込239,932)
デスク 片袖机 LDC-K107-R3 NA

デスク 片袖机 LDC-K107-R3 NA

73,950
(税込81,345)
ステンレスタンク 200L

ステンレスタンク 200L

189,660
(税込208,626)
さらし 33cm×10m 004-040600

さらし 33cm×10m 004-040600

1,420
(税込1,562)
クリーンルーム用踏み台 H100

クリーンルーム用踏み台 H100

55,660
(税込61,226)
導電パーツボックス No.10

導電パーツボックス No.10

3,830
(税込4,213)