close

研究・医療・食品現場の身近なサポーター

  • 取寄せ 取寄せ

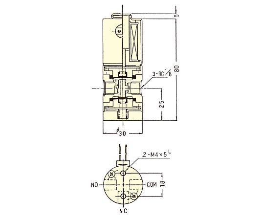
PTFE3方メス電磁弁 FSS-0306YN AC100V F-2368-004

商品コード:
4-5860-02
メーカー希望小売価格
40,000円 (税込10% 44,000円)
販売価格
38,800 円 (税込10% 42,680 円)
送料別
11個 (11個あたり38,800円(税込10% 42,680円))

5~6営業日以内に発送予定。

製品番号:
F-2368-004
関連カテゴリ:
研究用品・設備 > 2.分析・特殊機器 > 14.分離・分析ロシ
●3方 メス型電磁弁 ボディ材質PTFE 流体温度:0 ℃(ノーフリーズ)~80 ℃Max●オリフィスm/m:3.0φ●ダイヤフラム材質:PTFE+FKM●接続部:Rc1/8●電圧:AC100V●圧力(MPa):COM 0~0.15 NC 0~0.05●コード番号:F-2368-004