close

研究・医療・食品現場の身近なサポーター

  • 取寄せ 取寄せ

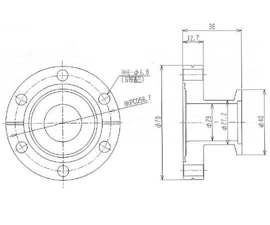
変換フランジ NW25-ICF70-C

商品コード:
3-676-04
メーカー希望小売価格
14,900円 (税込10% 16,390円)
販売価格
13,710 円 (税込10% 15,081 円)
送料別
11個 (11個あたり13,710円(税込10% 15,081円))

7~8営業日以内に発送予定。

製品番号:
NW25-ICF70-C
関連カテゴリ:
研究用品・設備 > 4.実験室設備 > 43.工具類
●仕様:NW25-ICF70 変換フランジ●材質:ステンレス(SUS304)