close

研究・医療・食品現場の身近なサポーター

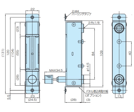
コンパクトフローメータ RK1710-5

商品コード:
2-7997-02
メーカー希望小売価格
15,000円 (税込10% 16,500円)
販売価格
12,300 円 (税込10% 13,530 円)
送料別
11台 (11台あたり12,300円(税込10% 13,530円))

0~1営業日以内に発送予定。

製品番号:
RK1710-5
関連カテゴリ:
研究用品・設備 > 3.物理・物性測定器 > 8.物性・物理量測定機器
●金属製ブロック・ニードルバルブ付きです。●型番:RK1710-5●流量レンジ(20℃校正)(L/min):5●対象ガス:AIR・窒素●耐圧:0.5MPa●精度:FS±10%●接続口:Rc1/8●接ガス部材質:真鍮・パイレックスガラス・NBRパッキン・ステンレス(SUS316)・ジュラコン(R)●ボディ材質:真鍮(ニッケルメッキ)●全長:104mm●※「ジュラコン(R)」はポリプラスチックス株式会社の日本その他の国の登録商標です。