close

研究・医療・食品現場の身近なサポーター

機械用刃物(特殊形状) E39-6C 32°200枚セット 750BH2031

商品コード:
2-066-11
メーカー希望小売価格
6,600円 (税込10% 7,260円)
販売価格
5,410 円 (税込10% 5,951 円)
送料別
11箱(200枚入り) (11箱(200枚入り)あたり5,410円(税込10% 5,951円))

0~1営業日以内に発送予定。

製品番号:
750BH2031
関連カテゴリ:
研究用品・設備 > 4.実験室設備 > 43.工具類
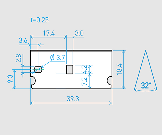
●高品質かつ抜群の切れ味の機械用刃物です。●切れ味が良く、実験室・工場での切断工程に使用できる刃です。●あらゆる素材の製造工程において多数採用されております。●材質:炭素工具鋼●未滅菌●サイズ(mm):39.3×18.4●厚み(mm):0.25●刃角度:32°●用途:フィルム等の切断工程に。

最近チェックした商品CHECK ITEM