close

研究・医療・食品現場の身近なサポーター

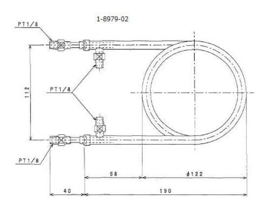
二重管式熱交換器(ステンレス) NH-S2

商品コード:
1-8979-02
メーカー希望小売価格
102,000円 (税込10% 112,200円)
販売価格
93,840 円 (税込10% 103,224 円)
送料別
11個 (11個あたり93,840円(税込10% 103,224円))

0~1営業日以内に発送予定。

製品番号:
NH-S2
関連カテゴリ:
研究用品・設備 > 1.汎用科学機器 > 3.冷却・加熱機器
●二重管の内管と外管に、それぞれ流された流体は、内外流体の温度差により、連続的に冷却・加熱され排出されます。●サイズ:総高/230mm、コイル径/112mm●伝熱面積:0.07m2●材質:ステンレス(SUS304)●取付部管径(内管・外管):PT1/8●コイル幅:130mm●コイル長:3.7m●巻数:11.5

最近チェックした商品CHECK ITEM

ポリスポイト 3mL 500本 NP-3

ポリスポイト 3mL 500本 NP-3

2,790
(税込3,069)
導電自在仕切板(5枚組)  NO.6

導電自在仕切板(5枚組) NO.6

1,910
(税込2,101)
超音波洗浄機 USL-600

超音波洗浄機 USL-600

295,800
(税込325,380)